服务热线
4006-598-119
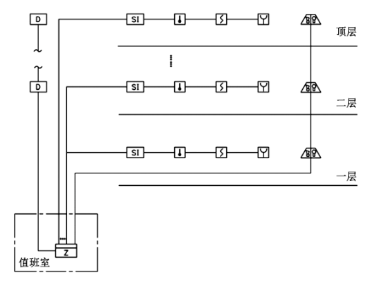
区域报警控制器通常配备直接控制输出触点(非总线联动模块),可通过编程实现以下操作:
a.火灾确认后,自动切断非消防电源(如空调、普通照明)。
b.强制启动消防应急照明和疏散指示系统。
c.无需升级为集中报警系统
规范明确:仅需报警、无需联动复杂消防设备(如排烟风机、消防泵)的场所,可采用区域报警系统。
切断非消防电源属于“简单联动”,不要求必须配置消防联动控制器(集中报警系统的核心设备)。

2.技术依据
《GB 50116-2013实施指南》指出:

“利用区域报警控制器的控制输出触点实现的非消防电源切断、应急照明启动等功能,仍属于区域报警系统的范畴。”
《建筑防火通用规范》(GB 55037-2022)也强调:区域报警系统应满足基本火灾报警及必要控制功能,无需过度配置。
上一篇:湖南火灾探测器选型对照表
下一篇:湖南乱按消防主机按键会怎样?